创维液晶9R57机芯主板电路原理与故障维修

2022-12-12 19:41:49  阅读 2474 次 评论 0 条
摘要:

创维9R57机芯彩电的主板结构框图如图1所示。创维9R57机芯信号处理电路的供电系统如图2所示。 一、信号处理供电与控制系统 电源板送+5V_STB供电

      创维9R57机芯彩电的主板结构框图如图1所示。创维9R57机芯信号处理电路的供电系统如图2所示。

创维液晶9R57机芯主板电路原理与故障维修 第1张

创维液晶9R57机芯主板电路原理与故障维修 第2张

一、信号处理供电与控制系统

      电源板送+5V_STB供电给主板,+5V_STB经U1PO得到+3.3V_STB,给CPU供电。CPU正常工作后,电源板得到PWR-ON/OFF开机信号,电源板输出+24V_NOR、+12V_NOR供电。+12V_NOR经UOP2稳压得到ST_A3V3电压,一路给U20中的CPU供电,第二路经过QOP2和Q0P3控制产生D3V3 (POWER EN信号控制D3V3),第三路经U2P2转换得到STA 1V8, 然后经Q0P6、Q0P7控制产生D1V8(POWER EN信号控制D1V8的通断)。+12V_NOR一路经U0P6稳压得到+5V_NOR电压,经U2P4转换得到Tun,3V3,为高频头供电;另一路经UOP9稳压得到DDR1V5电压,为DDR供电;第三路经U1P5稳压得到Core_1V1电压,为主芯片内核供电。24V给数字音频功放U0A7、U0A8供电。U0P8输出电压若超过5.4V,可能会烧坏硬盘。U09P、U1P6输出电压偏高或偏低会导致死机、花屏等故障。U2P4输出电压异常会导致无法搜台。

       U20Z (RTD2999) 为主芯片:UD1~UD4(H5TQ6G63CFR -TEC)为DDR3-2133MHz SDRAM;U0M4 (THGBMFG7CILBAIL)为EMMC存储芯片(16G Bytes CMMC FLASH用于存储启动程序);UOM2(FM24C128A)为EEPROM程序存储器。

1.STB_A3V3供电稳压电路

      副电源电路送来的STB5V供电经稳压电路U0P10(MP1494D-LF-Z)稳压,得到STB_A3V3供电,如图3所示,给U20(RTD2999)中的待机CPU供电。

创维液晶9R57机芯主板电路原理与故障维修 第3张

2.+5V NOR供电产生电路

      电源板送来的+12V_NOR供电经UOPS(AOZ3015AI)稳压,得到+5V_NOR供电,如图4所示,用作不同电路的输入供电。

创维液晶9R57机芯主板电路原理与故障维修 第4张

3.D3V3供电产生电路电源板送来的+12V_NOR供电经UOP2(MP1494DJ)稳压,得到D3V3供电,如图5所示,给U20中的CPU、EMMC、RTD2998等相关电路工作供电。

创维液晶9R57机芯主板电路原理与故障维修 第5张

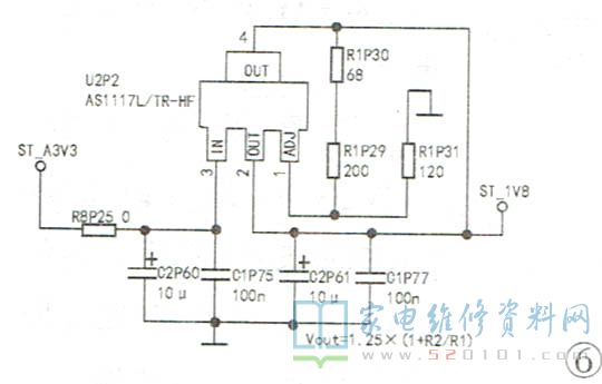
4. ST_ 1VB供电产生电路

      U0P2送过来的ST_3.3V经U2P2 (AS1117L)稳压,得到ST_1V8供电,如图6所示,用做CMMC电路的工作供电。

创维液晶9R57机芯主板电路原理与故障维修 第6张

5.开/关机控制电路

      Q0S3、Q0S4及其外围元件组成待机电路,如图7所示,在正常开机时,主芯片中的CPU的待机控制脚输出Power EN开机信号(高电平),经Q0S3、Q0S4倒相,送给电源板PWR ON/OFF开机信号(高电平),电源电路输出PWR 12V、+24V供电。在待机时,CPU输出低电平经90S3、Q0S4倒相,送给电源板低电平,电源电路进入低功耗输出状态,输出的12V电压经变换得到D3V3、A3V3电压,经主芯片、EMMC、EEPROM等电路供电,以维持待机。

创维液晶9R57机芯主板电路原理与故障维修 第7张

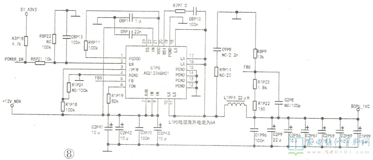
6.CORE供电产生电路

      在正常开机时,使能控制信号送到U1P6的②脚内部电路工作,于是12V_NOR供电经UIP6(AOZ1236Q1-01)为核心的DC-DC电路变换,得到Core_1V0, 如图8所示,给主芯片U20内核电路供电。

创维液晶9R57机芯主板电路原理与故障维修 第8张

7. DDR 1V5供电产生电路在正常开机时,使能控制信号送到UOP9的⑥脚,内部电路工作,于是12V_NOR供电经UOP9(MP1495Dj-LF-Z)为核心的DC-DC电路变换,得到1.5V,如图9所示,给DDR的内核电路供电。

创维液晶9R57机芯主板电路原理与故障维修 第9张

8.UTNER D3V3供电产生电路

     电源板产生的+12V NOR供电,经UOP8得到+5V_NOR,再经U2P4稳压得到TUNERD3V3,如图10所示,给高频电路供电。

创维液晶9R57机芯主板电路原理与故障维修 第10张

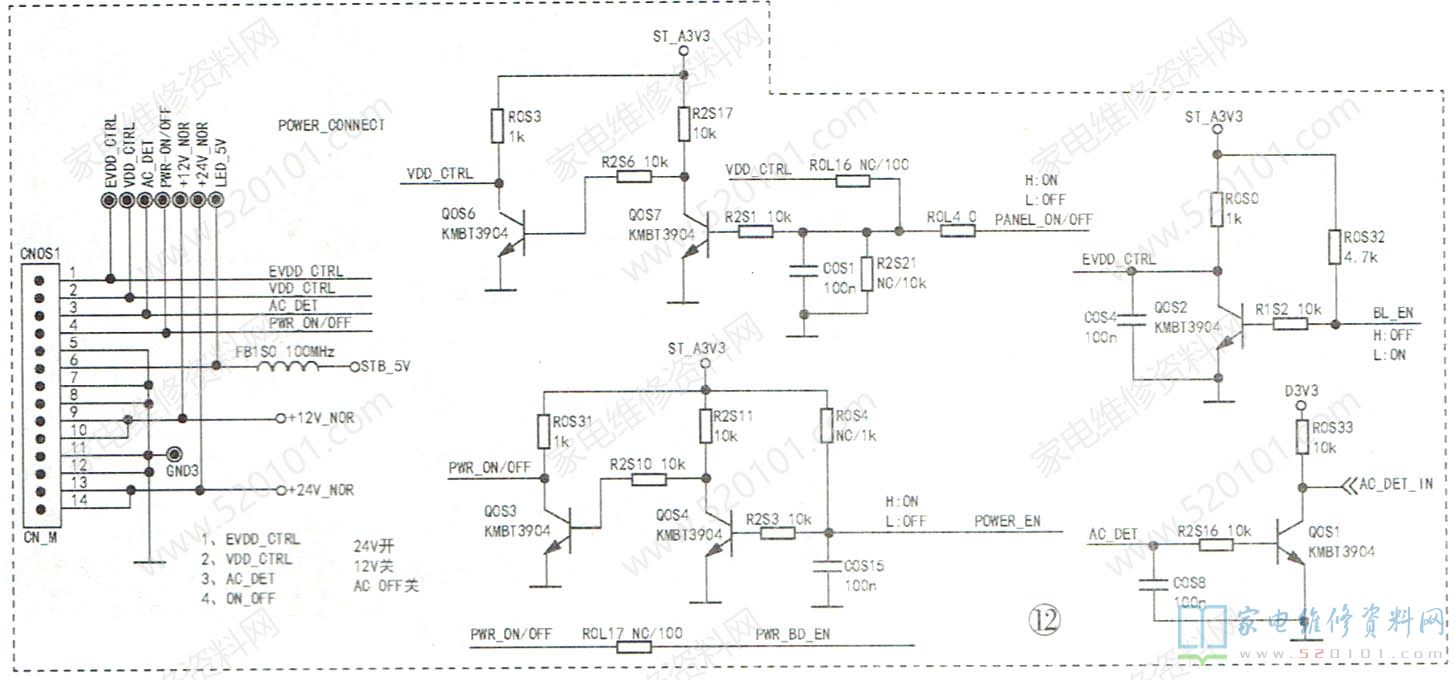
9.副板接口电路

     副板接口电路如图11所示,该电路采用标准电路设计与其他机器都能通用,具备插杆键控和触摸功能,且具备呼吸灯效果,LEDG经反向电路反转为LED_ oUT控制指示灯,开机启动后LEDG为低电平,CNOS2 PIN3为高电平,此时指示灯为红灯,启动后,根据待机(红灯)或开机(绿灯)状态由LEDG给出对应电平。

创维液晶9R57机芯主板电路原理与故障维修 第11张

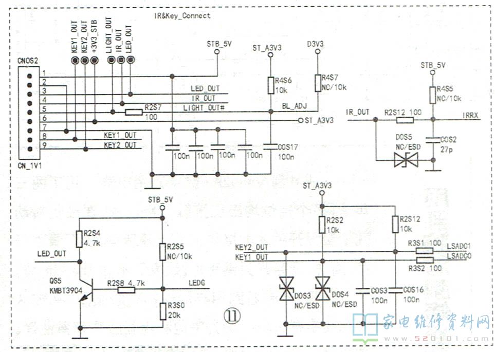
10.电源及背光控制背光控制电路

创维液晶9R57机芯主板电路原理与故障维修 第12张

     如图12所示分为两部分,第一部分是背光开/关控制,用于快速的打开、关闭背光电压,具体信号为BL ON/OFF;第二部分是背光亮度控制,用于调整背光的亮度,方便用户自己调整(菜单里面的“手动背光调节),采用芯片输出PWM信号来控制,具体信号为BL_ADJ,最亮时对应PWM占空比为100%,最暗时对应30%。

二、数字音频功放电路

     考虑到喇叭的实际功率。9R57机芯采用TAS5711+TAS5766双数字音频功放。TASS5711驱动内置重低音喇叭,如图13所示。

创维液晶9R57机芯主板电路原理与故障维修 第13张

      TAS5766驱动左、右声道喇叭。U0A7(TAS5711)内部集成了数字音频处理、串行音频端口、数字音频接口、串行控制、微控制、SRC、降噪、功放输出、保护逻辑等电路,其1、3、35、40、41、44、45脚为24V供电脚,17脚为3.3V模拟供电脚,8、27脚为3.3V数字供电脚,19(PND )脚是待机控制脚, 25(RE-SET )脚是复位脚,23(SDA )脚、24(sCL)脚为数据、时钟总线,25(MCLK)脚为主时钟输入脚,20(LR-CLK)脚为串行音频数据左右时钟输入。21( SCLK )脚为串行音频数据时钟输入脚,22( SDIN)脚为串行音频数据输入脚,①(out A)脚、46(oUT_B)脚分别为左、右声道音频信号输出脚,36(OUT_ D)、39(OUT C)脚分别为左、右重低音音频信号输出脚,15、20、21、22脚是IIS数字音频信号输入脚。

三、工厂模式说明
     进工厂模式方法:操作遥控器进入主页一电视设置-关于本机-本机信息,屏显“本机信息”,这时再按遥控器上的方向键"上、上、下、下、左、右、左、右"即可。
     退出工厂模式:按“返回”键或“工厂调试”(3FH )键即可。
四、软件升级
      9R57机芯软件升级包括主程序和UBOOT程序两部分。9R57机芯的主要数据(如MAC地址、HDMIKEY、防串代码)均放置在EEPROM(其主要地址说明:串码识别地址05H,串码起始地址07H,HDCPKEY起始地址27H,MAC地址170H)中,在生产预调时需写入,EEPROM初始化等操作均不会被改写,在修理时请尽量不要更换EEPROM,否则会影响正常使用。
     本机芯有两个位号的芯片需在贴片前烧录,分别如下:
     UM04(主板位号):烧录内容是BOOT程序和主程序(两者二合一的镜像文件),文件类型是*.bin请注意该文件必须正确。否则,主程序将无法正常启动,也无法在线升级主程序。
     UM02(主板位号):烧录内容是EEPROM母片,文件类型是*.bino如果该芯片未经烧录,那么系统启动时会自动对EEPROM进行初始化,但初始化的内容的母片数据不完全相同(如频点等)。且工厂模式中EEPROM版本将显示"INIT ISOK"。

9R57机芯的升级方法有:工厂菜单升级、在线升级、强制升级、串口触发升级.OTA升级(本地升级)。
1. OTA升级(本地升级)
   方法1:将升级压缩包(9R57 S9A-......文件)存入U盘的根目录(单分区普通U盘,不能使用酷开U盘)。给电视机上电,让其进入开机状态,开机后将u盘插入电视机uSB端口中,按遥控器的主页然后再按左键,进入“本地媒体"页面找到选择9R57 S9A **.xip文件,按确定键,电视机将自动升级(升级约需5分钟,升级过程中不要断电。否则可能会造成机器无法升级或升级失败而不能开机),升级完成后,系统会自动重启,电视机会自动开机。
       方法2:将升级压缩包(9R57_ S9A ***.ip文件)存入U盘的根目录(单分区普通U盘,不能使用酷开U盘),在给电视机上电的同时按住待机键5s左右,屏显U盘升级对话框,点击升级即可。
2.在线升级
       此方式需保证电视机网络畅通,同时保证电视有足够的存储空间(插入U盘或SD卡,剩余空间建议大于500MB)。首先按遥控器的“主页”键,进入“设置”页面,选择“升级”,进入系统升级页面,系统会自动将本机的程序版本与服务器上的程序版本进行比较,如果有更新程序可以升级,那么系统升级界面会显示出可以升级的提示框,根据界面的指示进行下载升级即可。下载任务完成后,系统会自动安装重启。
       升级后的第一次重启的开机时间会比平时长一两分钟,请勿在此阶段关机,以避免数据拷贝出错而导致系统异常(下载完成后的升级情况同本地升级)。
3.串口升级
      先将install.img程序拷入U盘根目录,然后将U盘插到USB口(USB2.0接口)中,接着在电路与电视间连接好串口小板或刷级盒子,打开串口调试程序(如超级终端),连接串口开机前按住电脑“TAB"键,待出现升级界面后再松手,系统即开始升级,在出现"instal Complete'提示后即表示升级完成,随后重启系统即可。
4.强制升级
       如果电视机出现故障,导致无法进入主页进行本地升级时,可采用强制升级方法,先将升级文件更名为instll.img (更改时要注意扩展名为img格式),然后将其拷贝到格式化的U盘中,U盘插入电视中,交流开机按住待机键,指示灯闪烁说明进入升级模式。过一会屏幕显示升级状态。当出现"Install Complete”提示后,表示升级完成,随后系统会自动重启。
       注意:升级U盘中只存放升级软件,请勿放其他文件,否则系统不会自动升级,升级过程中不可以断电!5.工厂菜单升级
       将install.img文件下载并保存到U盘根目录下,再将u盘插入USB口(USB2.0接口)进入工厂模式,打开工厂菜单+通用设置+系统升级确认后电视机会自动重启并自动升级,过一会屏幕显示升级状态。在出现“Install Complete'提示后即表示升级完成,随后系统会自动重启。
6.烧写BOOT
       如果以上三种方式均不能升级,那么说明BOOT文件已损坏,需重新烧写BOOT。烧写BOOT的方法如下:首先连上串口线,关机。打开ticc-basic-5.4.9-cn软件,点击图14中图标,进入串口选择界面,如图15所示。

创维液晶9R57机芯主板电路原理与故障维修 第14张

创维液晶9R57机芯主板电路原理与故障维修 第15张

       除COM port按电脑显示的端口选择外,其他均按图示来设定。设置好串 口后选择图14中圈2所示"Bum"选项,然后点击圈3所示按钮,显示如图16所示画面,首先点击最右方按钮,选择需要烧写的BOOT文件并打钩,然后将comm port下的"Bum"打钩,最后点击"Start"按钮,开机就能自动烧写boot,等待一会儿后,"Progress"右侧一栏会显示进度,显示100%时表示烧写完成,重新启动即可。待BOOT烧写成功后,将存有installing文件的U盘插入USB口,进入工厂模式进行升级。

创维液晶9R57机芯主板电路原理与故障维修 第16张

       提示:1.如果无法完成烧录,则重新进入并单击"Start"再开机。2.如果多次烧录均不成功或烧录完后发现打印信息不正常(最后一行通常显示为“C"),这说明主芯片和DDR或FLASH间的通讯不正常,需检查供电网络,必要时,需重新焊接或更换主芯片、DDR和FLASH。

五、故障检修

创维液晶9R57机芯主板电路原理与故障维修 第17张

       该机芯彩电主板主要IC的常见故障分析如图17所示,不开机、黑屏等故障的检修流程如图18~图21所示。

创维液晶9R57机芯主板电路原理与故障维修 第18张

创维液晶9R57机芯主板电路原理与故障维修 第19张

创维液晶9R57机芯主板电路原理与故障维修 第20张

创维液晶9R57机芯主板电路原理与故障维修 第21张

版权声明:本文为转载文章,版权归原作者所有,欢迎分享本文,转载请保留出处!