创维E390E系列液晶彩电是2015年初上市的中低端2D 2K(分辨率:1920X1080)机型产品,它采用R20或9R21机芯,其代表机型有创维32E390E、创维40E390E、创维43E390E、创维49E390、创维50E390、创维55E390E等。
一、主板概述
该系列液晶彩电主板如图1所示,设有1路TV(RF)、1路AV输入、1路AV输出、1路网络输入、2路USB2.0和2路HDMI1.4接口,并搭载天赐4.1操作系统(兼容Android4.4),其CPU采用主频为1GHz的四核ARM7 (32bitRISC 处理器,512kB 二级缓存),GPU采用主频为400MHz的双核IMGS-GX544MP2图形处理器,DDR3 SDRAM(1.5V,800MHz )容量为512MB。FLASH 存储器为4GB的eMMC(TOSHIBA生产)。U1. (RTD2982D)为主芯片,内置512MB的DDR存储器。UOM1 (THGBM5G5A1JBAIR-TOSHIBA)为eMMC存储芯片(4GB,用于存储启动程序),U0S3(FM24C128A -SO-T-G)为EEPROM存储器,U0T1(Si2157)为硅高频头,UOA1(TPA3113D2 )为数字音频功放块。
二、供电系统分析
该系列彩电主板采用12V单电源输入方式,其供电系统如图2所示。电源板供给主板的12V电压(PWR 12V)-路经UOP1 (MP1470GL)DC-DC变换得到3.3V电压(D3V3),给U1中的CPU供电;第二路经uOP3(MP1495 )稳压得到1.1V,给U1内核供电;第三路经UOP4(AOZ3015AI)DC-DC变换得到D5V电压,为USB、MHL、WIFI等电路供电;第四路给数字音频功放U0A1供电。D3V3 电压经UOP5 (TJ4210GDP-ADJ)DC-DC变换得到1.5V,给DDR供电; D5V经UOP2(LD1117)稳压得到3.3V ,给高频头供电。
提示:若UOP4输出的电压超过5.4V,易烧坏硬盘;若UOP5输出的电压偏高或偏低,易出现死机、花屏等故障;若UOP2输出电压异常,则无法搜台。
1、开机过程
主板得到12V供电,U0P1将其转换成D3V3电压,给CPU及复位电路供电,CPU外围的晶振振荡,CPU启动工作,运行U1内的启动程序(reboot),对系统进行初始化。待初始化完成后,U1的105脚输出的POWER EN开机信号(高电平),经插座CNOJ6送往电源板。电源板在得到正常的PWR. ON/OFF开机信号后,电源电路输出+24V、12V供电。主控系统与DDR存储器通讯,随后将eMMC中的主程序装载到DDR中并运行,主控系统开始对各类寄存器进行初始化,并检测U0A1和U0S3等IC的总线接口电路。检测成功后,系统读取存储器中的开机状态数据,如设置为二次开机,则系统进入待机状;否则,进入开机状态。
2、单元电路分析
(1)D5V供电
D5V供电产生电路如图3所示,电源板送来的12V供电经U0P4直流变换得到USB_ 5V和D5V电压,为相关电路供电。U0P4是一款高效率同步降压稳压器,内置500kHz的PWM控制器、软启动、逐周期电流限制及过流、过压保护等电路,输入电压为4.5V~18V,输出电压可调(最低电压为0.8V),连续输出电流达3A,转换效率可达95%,其引脚功能见表1。

(2)D3V3供电
D3V3供电产生电路如图4所示,电源板送来的12V供电经uOP1直流变换得到D3V3电压,为相关电路供电。

uOP1是一款高频率同步整流降压型开关模式转换器,采用6脚TSOT23封装,内置功率MOSFET管,开关频率为500kHz,输入电压为4.7V~16V ,输出电压可调(最低电压为0.8v),连续输出电流可达2A。
(3)cORE(内核)供电
COREIV1供电产生电路如图5所示。UOP3是一款 500kHz高效率同步降压转换器,内置功率MOSFET管及软启动、OCP保护等电路,输入电压为4.5V~16V,输出电压可调(基准电压为0.8V),最大输出电流可达3A。

uOP3的①脚为工作模式选择端,通过电阻R2P1与⑦脚相连,表明芯片工作于非同步模式。⑥脚为使能同步端,二次开机后,高电平使能控制信号通过R3P9送到该脚,IC内部电路启动,将输入的12V电压(PWR 12V)变换为1.1V (COREIV1),供给U1内核电路。⑤脚为自举端,通过自举电容COP8与③脚相连,形成浮动供电,以驱动高边开关管。与COP8串联的22Ω电阻R2P2的作用是降低开关尖峰电压。
(4)DDR_POWER供电
该电压产生电路如图6所示。开机后,使能控制信号送到UOP5的②脚,IC内部电路启动,将输入的12V电压(PWR_ 12V) 变换为1.5V(DDR_ POW-ER),供给U1内部的DDR电路。

(5)D3V3_ TUNER供电
该电压产生电路原理图如图7所示,D5V电压经UOP2稳压得到3.3V(TUNER 3V3),为高频调谐电路供电。UOP2是一款最常用的三端低压差(0.6V )稳压块,输出电流可达0.8A,其①脚(ADJ])为输出电压调节端(若输出电压固定,该脚直接接地);②脚(OUT )为稳压输出端,与散热片直通;③脚(IN)为电源输入端。

(6)背光开/关控制电路
该电路如图8所示,U1送来的背光开/关控制信号BL-ENA 经QOP2倒相后,通过插座CNOJ6的①脚送到背光电路,控制背光板电路是否工作,从而达到控制背光点亮或熄灭的目的。

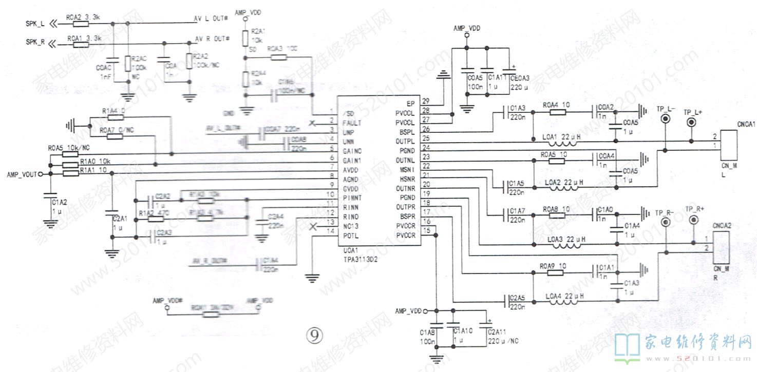
(7)音频功放电路
该电路如图9所示,UOA1是TI公司生产的一款6W高效D类(模拟)音频功放集成电路,其7、15、16、27、28为12V供电输入端,①脚为芯片使能控制端(可关断左、右声道的信号输出),④脚为静音控制端(可关断左、右声道的音频信号输入),⑤、⑥脚分别为左右声道音频信号增益调节端,⑧、⑨脚
分别为模拟电路、数字电路接地端,18、20、23、25脚为左、右声道输出端。

开机后,左、右声道音频信号分别送到UOA4的③、②脚,通过内部电路功率放大后,从18、25脚输出,经高频滤波后,推动扬声器发声。
三、功能调试与软件升级
1.网络设置
按遥控器上的“天赐”键- +设置- +网络设置+进行“有线/无线”选择,并在有线状态下进行AP(无线访问节点)热点建立操作。
2.工厂模式的进入与退出方法:
方法一:进入电视设置->系统设置->本机信息,这时按遥控器上的上、上、下、下、左、右、左、右键,,屏显“工厂菜单加载中”提示,表示系统已进入工厂模式。
方法二:先将音量减到“00" ,然后按住本机面板上的“音量-”键不松手,同时按住遥控器上的返回键即可。按遥控器上的返回键或屏显键均可退出工厂模式。
3.软件升级
该系列液晶彩电的软件升级方法有以下四种:
(1)本地升级
先下载对应该机型的9R20_ E390E_ xxxxx.zip+级文件,并拷贝刨U盘根目录下,然后将u盘插到电视机的USB口中,按遥控器进入主页->系统升级->本地升级,如图10所示,最后选择升级包,点击"确认”按钮后,电视自动重I 启后进入自动升级状态。

(2)在线升级
若系统提示有在线升级包可供下载,如图11所示,则根据提示点击“下载”按钮,待下载完成后,点击“安装”按钮即可。实际操作时,也可按遥控器进入主页一电视设置一系统升级一+在线升级,查看是否有可供下载的在线升级包,若有,则按上述操作即可。

(3)工厂模式升级
先进入工厂菜单,选择“一键设置"菜单下的“本地升级”,如图12所示。当屏显"InstallComplete'提示时,表示升级完成,随后重启系统即可。

提示:创维E390E系列液晶彩电的主要数据(如MAC地址HDMIKEY、防串货码)均存放在EEP-ROM存储器UOS3中,存放地址如下:串码识别地址是05H,串码起始地址是07H,HDCPKEY起始地址是27H,MAC地址是170H。 因此,在实修时不可换用空白存储器。否则,会影响正常使用。
(4)串口触发升级
先通过串口升级工具将电视机与电脑相连接,再将存有Installing文件的U盘插到电视机的USB接口中,然后按住电脑上"TAB"键开机,待出现升级界面后松手,这时系统开始升级,当出现"InstalCom-plete"提示时,表示升级完成,随后重启系统即可。
需说明的是,在电视机出厂前,厂家已将BOOT程序和主程序合并成一个镜像文件(文件类型是xXX.img )烧录到了UOM1中,这样开机后主程序才能正常启动,并能在线升级主程序。若uOM1损坏,在换.上空白eMMC芯片前,需先通过串口工具将BOOT程序写入空白eMMC芯片中,所用烧写软件是RTICEv4-Basic,如图13所示。
待BOOT程序烧写成功后,再将存有Install.img文件的U盘插到电视机的USB口中,这时系统会自动升级。如果多次烧录eMMC均不成功,或者烧录完后其打印信息不正常[最后一行通常显示为“C"), 则说明主芯片与存储器之同的通讯异常,先检查主芯片与存储善的供电反通讯电路是否正常,然后补焊主芯片和存储差。