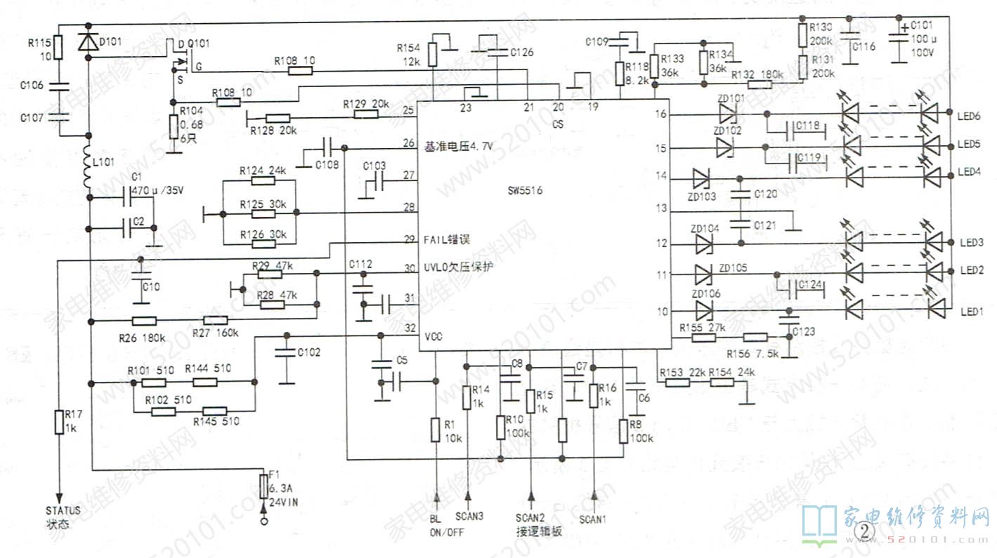
接修一台创维47E700S液晶电视,开机屏亮一下后黑屏,但有伴音。该机采用LED背光,控制芯片是SW5516,通往主板的插座CN1旁边有标注:①~⑤脚是24V供电输入,⑥~10脚是地线,11脚是STA-TUS(背光板的工作状态信号反馈给主板CPU,但该机未用),12脚是BL-ON/OFF(背光开1关信号),13脚是空脚,14脚是VBR-B(背光亮度控制信号,但该机未用)。测24V电压正常,再测ON/OFF信号一直为高电平,判断故障点应该在背光板上。
背光一亮即灭大多数情况是芯片进入了保护状态。该机有三路保护电路,17脚的OVP过压保护,20脚的CS过流保护,30脚的UVLO欠压保护。开机时监测VF电压,发现开机时该电压快速升到约50V,随后又慢慢回到24V(监测这个电压要用指针表,数字表反应太慢)。因此电压上升速度很快,看到的50V左右电压并不准确,实际电压可能要再高一些,否则背光灯不会亮一下。该机线路板上标明VF电压是65V,正常的过压保护动作电压应该在75V以上。综合分析,该机故障原因可能是过压误保护了。由于R130~R132工作在较高电压状态下,阻值也较大,如果电阻表面或底胶漏电会引起此故障,焊下这3只电阻,清理干净底胶后再装好,开机背光正常点亮,故障排除。
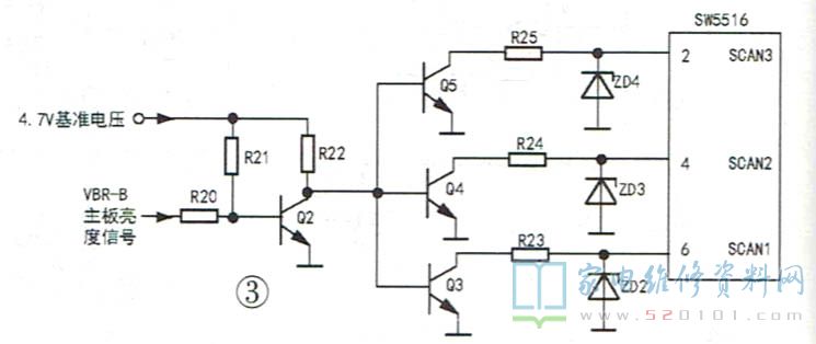
该背光板还有一个四线插头通往逻辑板,标注字符为"SCAN1~SCAN3" ,猜测这应是背光板的亮度调节信号,从逻辑板过来。在机器正常工作后,测得sCAN信号波形如图2所示(三组SCAN信号一样)。
从图2中可看出在亮度最低时,在一个周期10ms中,LED点亮5ms,熄灭5ms,即只有一半时间亮,由于脉冲频率很高(100Hz ),所以人眼感觉不到闪烁,但可以感觉平均亮度降低了。在50%亮度时,一个周期内LED五分之四的时间点亮,五分之一的时间熄灭,感觉亮度就高了。在最高亮度时,基本就是一个3V的直流电压,LED灯基本常亮。三组SCAN信号分别控制三组左右LED灯条,为什么背光亮度控制要从逻辑板控制?该机有3D图像功能,是否LED亮度需要和图像内容配合,请高手指点。
该背光板亮度控制有二种方式,本机是逻辑板控制方式,还有一种方式是主板送来的VBR-B亮度控制。本机背光板上与VBR-B调节信号相关的元件并没有装上,现绘出未装元件电路如图3所示,主板输出的VBR-B亮度调节信号经Q2转换后,分别由Q3~Q5倒相放大后加到芯片的②脚、④脚和⑥脚(Q2~Q5应该是带阻三极管)进行亮度控制。
版权声明:本文为转载文章,版权归原作者所有,欢迎分享本文,转载请保留出处!
