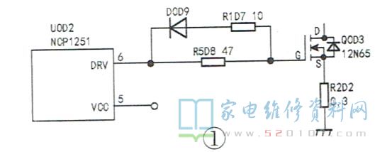
创维8S63机芯液晶电视不开机的故障维修思路 2022-10-11 18:49:50 阅读 872 次 评论 0 条 摘要: 接修一台创维液晶电视,采用的是8S6机芯,故障表现为不开机。首先检查ST_A3V3供电及其负载,然后检查CPU电路。测开关电源无12V电压输出,保险丝熔断,开关管Q0D3(12N65)击穿,R1D7(10 接修一台创维液晶电视,采用的是8S6机芯,故障表现为不开机。首先检查ST_A3V3供电及其负载,然后检查CPU电路。测开关电源无12V电压输出,保险丝熔断,开关管Q0D3(12N65)击穿,R1D7(102 )烧断,U0D2(NCP1251)⑤脚对地短路,相关电路如图1所示。更换上述损坏元件后试机,故障排除。 版权声明:本文为转载文章,版权归原作者所有,欢迎分享本文,转载请保留出处! 点赞 分享: PREVIOUS:长虹LED42560(LJ1W)液晶电视黑屏有声音的故障维修 NEXT:创维8S63机芯液晶电视无法开机的故障维修思路 文章导航