海尔FP-HZPN-3495电源板原理分析与维修图解

2022-12-24 19:56:17  阅读 1062 次 评论 0 条
摘要:

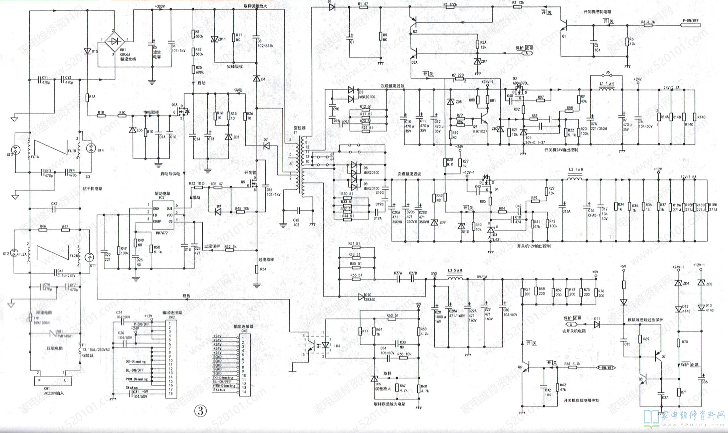
海尔LE32M320型液晶彩电采用的电源板型号为FP-HZPN-3495,物料编号为0094003495。它采用新型开关电源专用集成电路BD7672,输出24V/2.8A和12V/1.5A.5V/1A电压

      海尔LE32M320型液晶彩电采用的电源板型号为FP-HZPN-3495,物料编号为0094003495。它采用新型开关电源专用集成电路BD7672,输出24V/2.8A和12V/1.5A.5V/1A电压,为主板和背光灯板供电。海尔FP-HZPN-3495电源板上面元件布置实物图解如图1所示,电路组成框图如图2所示,开关电源电路图如图3所示。

海尔FP-HZPN-3495电源板原理分析与维修图解 第1张

海尔FP-HZPN-3495电源板原理分析与维修图解 第2张

海尔FP-HZPN-3495电源板原理分析与维修图解 第3张

海尔FP-HZPN-3495电源板原理分析与维修图解 第4张

版权声明:本文为转载文章,版权归原作者所有,欢迎分享本文,转载请保留出处!