海尔29F9D-PY彩色电视机AV状态下黑屏的故障维修

2022-11-27 18:45:24  阅读 950 次 评论 0 条
摘要:

同行送来一块海尔29F9D-PY型高清彩电主板,告知黑屏。装上高清显像管试机,在AV状态下输入信号,黑屏;通过色差信号Y、Cb/Pb、Cr/Pr端输入DVD机信号,图像正常。此机色差信号是直接输入数字板,而AV

       同行送来一块海尔29F9D-PY型高清彩电主板,告知黑屏。装上高清显像管试机,在AV状态下输入信号,黑屏;通过色差信号Y、Cb/Pb、Cr/Pr端输入DVD机信号,图像正常。此机色差信号是直接输入数字板,而AV信号则是输入到IC001(LA76818) 中的,在AV状态下,测得IC001的19、20、21(基色信号输出)脚在有信号时电压在2.7V~3.2V间变化,无信号时电压为2.6V,判断IC001正常。

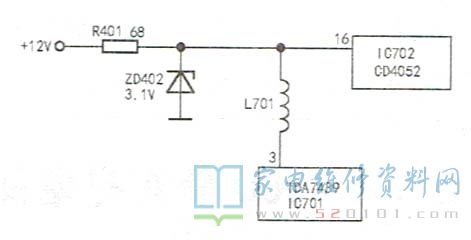
       难道数字板不良?再度输入色差信号,并接上喇叭试机,图像正常但无声音,说明音、视频切换电路确有异常。IC001①脚输出伴音到IC701(TDA7439)。将音频信号直接送给IC701⑤、⑥脚,伴音正常,可见IC701有问题。由于高清的音频信号要去TDA7439,而AV视频信号要去IC702,IC701与IC702的共同处在供电,均来自12V,见图1。

海尔29F9D-PY彩色电视机AV状态下黑屏的故障维修 第1张

       AV图像信号要去IC702,故AV无图,高清无音,很可能是出在共有的供电通道上。

      测得IC701的③脚供电源仅0.8V,明显异常。该供电电路如图1所示。测R401一端电压为正常的+12V,挑开IC701的③脚,其焊盘电压上升到9V,确定IC701内部短路。此时开机,在AV状态下图像正常。更换IC701后故障排除。检修电路故障,需对电路了解、分析,才能提高处理速度。
版权声明:本文为转载文章,版权归原作者所有,欢迎分享本文,转载请保留出处!